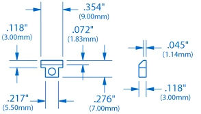
Saddles for ABR-1 Tune-o-matic Bridges
A set of 6 brass replacement saddles for our ABR-1 Tune-o-matic bridge.
These saddles are supplied without notches, for custom string spacing in your shop.
We recommend ordering our saddle screws to match the M3 x .5 threads.
Note: These saddles will not fit Gibson ABR-1 bridges.
Tip: Slotting Tune-o-matic style saddles
Nut slotting files work great for metal saddles. Choose your file size as you would when slotting a nut: use the same gauge as the string, or a few thousandths larger. After filing to the desired depth, we suggest polishing the slot with Mitchell’s Abrasive Cord to remove file marks and burrs.
-
- Item #
- Weight
-
- 4568
- 0.0140 lbs. (0.01 kg)
-
- 4568-BR
- 0.0140 lbs. (0.01 kg)















Reviews
There are no reviews yet.